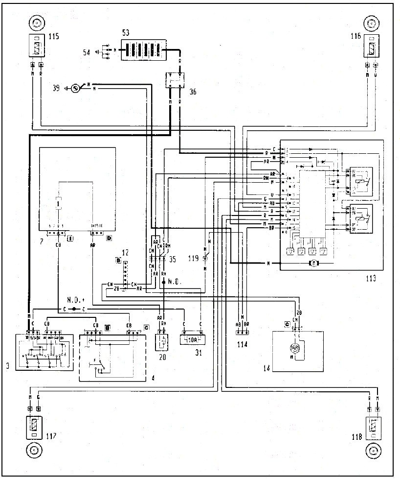
Co do objawow, to ABS w ogóle nie dziala, nie zapala się również lampka(zarowka sprawna). Bezpiecznik sprawdzałem i jest dobry, same napiecie +12 po stacyjce tez jest na wtyczce, ale nie wiem czy ma rowniez dochodzic tam staly plus prosto z aku. Chcialbym najpierw to sprawdzić, zanim osądze że sama centralka jest uwalona.
dokladnie to chodzi o ta wersje centralki

moze ktos mial z tym do czynienia. W zasadzie brak abs'u mi nie przeszkadza, ale jak juz to jest w tym to wypadalo by zeby dzialalo
pozdrawiam