Zaciski tył UT

amortyzatory, sprężyny, koła, hamulce, itp.
Awatar użytkownika
Echuu
Aktywny użytkownik
Posty: 213
Rejestracja: czw kwie 08, 2010 8:16 pm
Miejscowość: Sosnowiec
Auto: Inne

Zaciski tył UT

Post autor: Echuu »

pytanie jest proste - co w co? :(

Obrazek

Obrazek

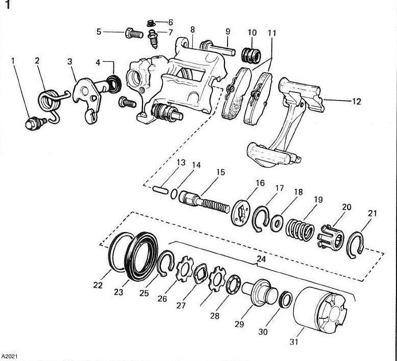
niestety zaciski dostałem w 2 pudełkach już rozebrane i nie za bardzo wiem gdzie wchodzi który element :|
Lancer Evolution IV
Awatar użytkownika
goofer007
Spamer :P
Posty: 722
Rejestracja: czw wrz 11, 2008 8:15 pm
Miejscowość: SZA
Auto: Punto GT

Re: Zaciski tył UT

Post autor: goofer007 »

Powinno pomóc:
Załączniki
lucas_caliper_rebuild.jpg
176B6.000 1372 GT
146A2.246 1301 TIE
Awatar użytkownika
Echuu
Aktywny użytkownik
Posty: 213
Rejestracja: czw kwie 08, 2010 8:16 pm
Miejscowość: Sosnowiec
Auto: Inne

Re: Zaciski tył UT

Post autor: Echuu »

założyłem 1,2,3,4, następnie 13, 14, 15, 16, 17, 18, 19, 20 a pkt 21 założyć się już nie da :|


do tego zaciski nadają się do ponownego malowania :|
Lancer Evolution IV
megazord
Aktywny użytkownik
Posty: 223
Rejestracja: sob lip 17, 2010 2:07 am
Miejscowość: slask
Auto: Inne

Re: Zaciski tył UT

Post autor: megazord »

Da się ale trzeba dość solidnie docisnąć.
turbomaniak
Spamer :P
Posty: 997
Rejestracja: sob mar 15, 2008 12:25 pm
Auto: Uno 1.3T
Lokalizacja: SZA

Re: Zaciski tył UT

Post autor: turbomaniak »

Jak Ci sie nie pali to daj goofrowi i bedziesz mial zlozone :wink:
snakeman1
Obserwator
Posty: 3
Rejestracja: ndz mar 06, 2011 5:55 pm
Miejscowość: jaworzno
Auto: Inne

Re: Zaciski tył UT

Post autor: snakeman1 »

http://forum.tempra.org/topics50/zacisk ... t18687.htm" target="_blank" target="_blank" target="_blank

http://forum.tempra.org/topics63/poradn ... t18734.htm" target="_blank


rurka i ścisk rozwiązą twój problem.
Awatar użytkownika
punto 1.6
Zaawansowany użytkownik
Posty: 371
Rejestracja: pt lip 16, 2010 8:37 pm
Miejscowość: Przemyśl
Auto: Inne

Re: Zaciski tył UT

Post autor: punto 1.6 »

witam , ja mam pytanie troszkę z innej beczki ale tez dotyczy zacisku z PGT , mianowicie chodzi o to ze mam slaby ręczny ,tłoczek wysuwa się tylko o 1 mm a to wydaje mi się za mało zęby ścisnąć tarcze, w cym może tkwić problem? , dodam ze kupiłem zaciski rozebrałem do malowania ( wykrecilem tloczek) później go wkrecilem i po zamontowaniu rozczarowanie
PUNTO ELX 1.6 16vT = 320HP & 360NM
Awatar użytkownika
MaRo
Użytkownik
Posty: 80
Rejestracja: śr maja 30, 2012 9:51 pm
Miejscowość: Bytom
Auto: Punto GT

Re: Zaciski tył UT

Post autor: MaRo »

tak przy okazji

ma ktoś wymiary(gwint) odpowietrznika do zacisku lucas 34 ?
Jest:Alfa Romeo 159 1.9 JTDm 8v '07
Fiat Stilo 1.9 JTD '02

Było:Uno 1.4 '95 Grigio Nickel Metalic -60/60
Punto GT 1.6 '94 Giallo Exploit
ODPOWIEDZ